亚洲国产aⅴ精品美女网站,蜜桃成人精品,对白露脸伦播放

天標檢測
搜索
搜索
行動與責任成就生活之美

行動與責任成就生活之美

讓我們從現在開始
查看更多
蘇州天標檢測技術有限公司

蘇州天標檢測技術有限公司

你的生活我們隨處可見
查看更多
綜合性檢測服務機構

綜合性檢測服務機構

實驗室嚴格按照CNAS-CL01(ISO/IEC17025) 體系要求建立運行
查看更多
保護我們的碧海藍天

保護我們的碧海藍天

天標檢測一直在踐行
查看更多
行動與責任成就生活之美

行動與責任成就生活之美

讓我們從現在開始
查看更多
蘇州天標檢測技術有限公司

蘇州天標檢測技術有限公司

你的生活我們隨處可見
查看更多

解決方案

我們是集試驗技術研究與應用、試驗檢測與分析、試驗設備研制為一體的綜合性檢測服務機構

查看更多項目+
查看更多案例+
關于我們

蘇州天標檢測技術有限公司

蘇州天標檢測技術有限公司(注冊商標“TBK”)成立于2011年,擁有顯微分析、熱分析、無損檢測、化學成分、物理性能、可靠性等多種檢測與分析項目,我們借助科學的檢測分析方法、專業的工程技術人員和精良的儀器設備,幫助客戶解決在產品研發、生產、貿易等環節遇到的各種檢測認證問題。是集產品綜合性檢測、分析、鑒定、評估和咨詢服務的單位。

 

TBK檢測中心經過數十年的積累和發展已建設成為一個集試驗技術研究與應用、試驗檢測與分析、試驗設備研制為一體的綜合性檢測服務機構。擁有一支高學歷高素質專家團隊、具備豐富的環境可靠性試驗工程技術、失效分析技術、理化檢測技術的研究及實踐能力。

更多詳情
  • 了解我們

    更多
  • 企業文化

    更多
  • 資質榮譽

    更多
  • 聯系方式

    更多

2011 始于2011年

15 + 各類專利

2000 + 助力2000+企業

400 + 涵蓋400多項檢測項目

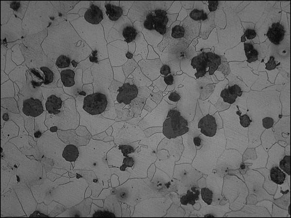
檢測項目

豐富的環境可靠性試驗工程技術、失效分析技術、理化檢測技術的研究及實踐能力

天標實力

TBK檢測中心經過數十年的積累和發展已建設成為一個集試驗技術研究與應用、試驗檢測與分析、試驗設備研制為一體的綜合性檢測服務機構。擁有一支高學歷、高素質的專家團隊、也具備豐富的環境可靠性試驗工程技術、失效分析技術、理化檢測技術的研究及實踐能力。

更多詳情 +
  • img

    市場監管客戶交貨第三方檢測報告

    進駐網絡電商平臺質檢報告

    進駐網絡電商平臺質檢報告
  • img

    企事業招投標第三方質檢報告

    高新技術企業檢測報告

    高新技術企業檢測報告

新聞資訊

關注行業新聞,了解天標資訊

SVHC清單將增加至242項
國慶節放假通知
24年中秋節放假通知
SVHC意向清單物質+1,目前已增至12項
  • 2025年春節放假通知 2025-01-21
  • pcb失效分析技術 2024-12-11
  • 微米,納米級孔隙率分析 2024-12-11
  • 工業CT在汽車、電子、醫療、材料、科研等領域應用 2024-12-11

聯系我們

0512-88961118

tbk@tbklab.com

天標檢測

關于我們

公司簡介
公司理念
公正性聲明

榮譽資質

第三方報告

聯系我們

 

典型案例

失效分析案例
測試項目案例

檢測項目

汽車零部件檢測

電子電氣行業檢測

塑膠,橡膠制品檢測

金屬材料檢測
高分子材料檢測

紡織品檢測

客戶服務

服務流程
檢測報價

委托單下載

檢測報告

新聞動態

公司新聞
行業動態

二維碼

掃一掃 關注我們

二維碼

企業微信二維碼

友情鏈接:  蘇州天標檢測      中國合格評定國家認可委員會      國家市場監督管理總局      江蘇省市場監督管理局

Copyright? 2021  蘇州天標檢測技術有限公司  版權所有   蘇ICP備15049334號-3

蘇州天標檢測技術有限公司

Copyright? 2021  蘇州天標檢測技術有限公司  版權所有

蘇ICP備15049334號-33    蘇州  

蘇州天標檢測技術有限公司